
GKYWG-50雷达液位计也叫雷达物位计,是河北光科测控设备有限公司设计研发生产的智能非接触式液位测量设备,发射功率分为26G、80G、120G等多种频率。传感器发出高频脉冲在设备空间以光速传播,当脉冲遇到物料表面时反射回来被仪表内的接收器接收,并将距离信号转化为物位信号,从而达到准确测量目的。GKYWG-50雷达液位计具有便捷的安装方式和标准的通信接口:4~20mA/HART、RS485与PLC、DCS通讯;该产品还具有防爆和本安两种安全形式,可广泛应用于石油、化工、食品、水处理等行业的液位、料位、距离的连续测量。
可以选配平均温度计实现多点温度测量
80G毫米波模块化设计,量程大、盲区小
80G小束波角<3°,安装条件宽松
可适用于三层搅拌储罐及有蒸汽的过程储罐
智能识别系统对储罐的结构读取识别,达到轻松避障
体积小、重量轻、非接触测量安装便捷
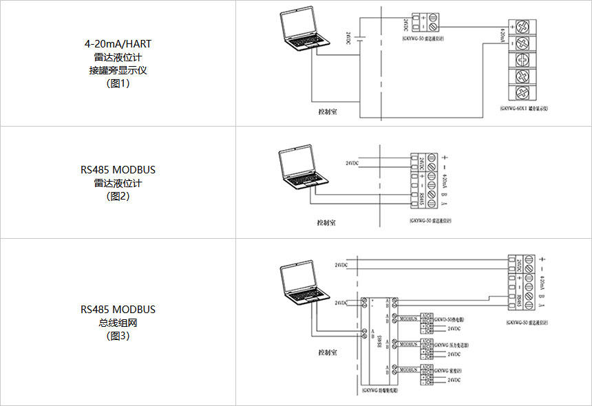
输出信号4-20mA/HART RS485 MODBUS通讯
设计可配套罐旁显示仪、多点温度计实现多参数测量罐下显示
高强穿透性适合有粉尘及蒸汽的储罐
低功耗设计,8V电压即可让雷达液位计投入正常工作
多协议定制,可代替进口仪表
尤其适用于原油、重油和高粘度化工产品,有惰性气体及挥发性气体等介质的准确测量
1、钢铁行业:如煤焦化(备煤仓、焦仓、煤气柜、煤焦油及粗苯罐)、烧结厂(烧结料混合仓、冷返矿、球团仓)
2、炼铁厂(炼铁中间仓、高炉料位等)等料仓的料位检测
3、煤炭行业:原煤仓、粉煤仓、煤矸石仓储料位、洗煤池等料仓的料位检测
4、水泥行业:包括原料库、生料均化库、熟料库、成品库、粉煤灰仓、原煤仓、石膏库、水泥渣仓
5、电力行业物料过程存储物位检测,如火电厂的原煤仓、粉煤仓及干灰库中料位的检测
6、有色冶金行业、制铝、制镍、制锌、制钛行业:(制铝)矿浆槽、溶出槽、闪蒸釜、溶出后槽、絮凝槽、沉降槽、分解槽、氧化铝粉仓
7、化工行业:如石油化工、煤焦化工、电石化工等料仓的料位检测
8、食品医药行业、环保及水处理行业、半导体行业等



安装要求:一般采用标准法兰安装到罐顶,也可采用旁通管安装,导波管安装等多种方式。高频雷达放置在罐体直径的1/4或1/6处,距罐壁不小于200mm,26G天线伸入到罐里至少10mm;测量锥形罐体,应安装在锥形罐体平面的中间,保证可以测量到锥形顶部;测量有堆料的罐体,法兰选型应选择万向法兰(可调节方向)。
注意事项:雷达液位计不能安装在进出料口处,拱形、圆形罐不要将仪表安装在顶部中心,避免多次强波反射;避免安装在有很强涡流的地方。如有搅拌或很强的化学反应等,建议采用导波管或旁通管安装方式;导波管安装时要注意内壁一定要光滑,下面开口的导波管必须达到需要的底部液位。导波雷达液位计应保证探极线在管内位置相对稳定,必要时对探极线加支撑拉直。



冀公网安备 13040202000877号 备案号: 冀ICP备18023072号-2
磁翻板液位计,磁致伸缩液位计,音叉液位开关,伺服液位计