GKYWG-60XⅠ罐旁显示仪又叫通用现场远传变送器显示仪,是由河北光科测控设备有限公司研制开发出的防爆显示仪表。通过微处理器为核心高集成度电路,准确的计算出现场液位、温度、压力等标准信号的数值并显示出来,可安装在现场或者控制室任何区域,方便安装在现场装置区高温、有毒、易燃的工业现场环境,主要用于石油化工、电力、医药、消防等行业。
防爆壳体设计可以用于各种工业现场(已经通过国家防爆认证)
安全等级为SIL3、可以用在各种环境
不需要外加电源,接线方便直接串入4~20mA回路即可实现测量
液晶显示带绿色背光灯方便在晚上观看数据
实用范围:磁致伸缩液位计、雷达液位计、温度变送器、压力变送器、气体报警器等模拟量标准信号的仪表

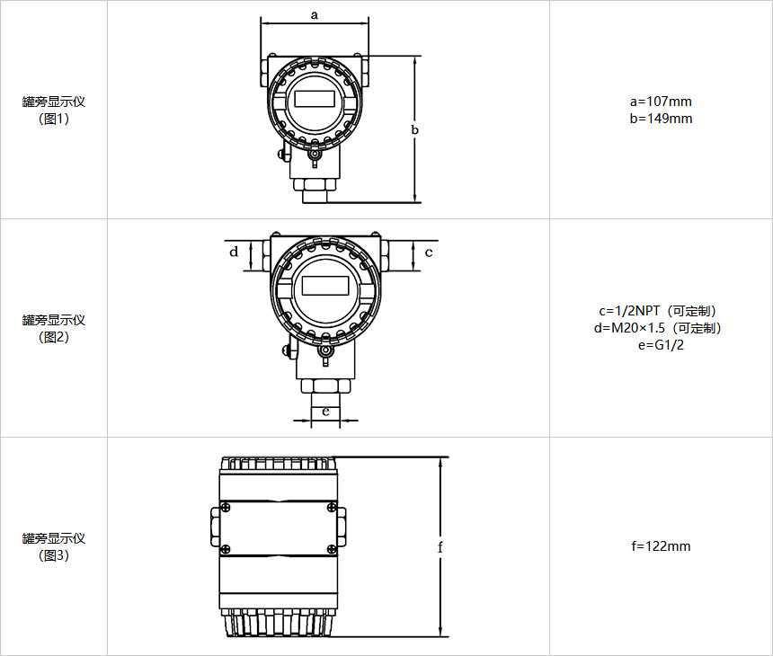
外形安装尺寸





冀公网安备 13040202000877号 备案号: 冀ICP备18023072号-2
磁翻板液位计,磁致伸缩液位计,音叉液位开关,伺服液位计